안녕하세요. 취업한 공대누나입니다.
오늘은 ADC 소자의 데이터시트를 한 번 보도록 하겠습니다.
저는 사용해 본 적은 없지만 많이 사용하는 것 같은 IC인 것 같은 걸로 골라봤습니다.


주요한 정보들을 보면
12bit 해상도를 갖고 있는 ADC입니다.
또한 I2C 통신을 이용해서 해당 데이터를 MCU에 전달할 수 있겠네요.
ADS1013과 ADS1014/ADS1015의 구조는 좀 다른 것을 확인할 수 있습니다.
그림만 보더라도 1013은 AIN0, AIN1 채널이 2개이고, 1015의 경우에는 AIN0부터 AIN3까지 채널이 총 4개입니다. 1013과 1014/1015 IC의 가장 큰 차이점은 ALERT/RDY 핀이 있느냐 없느냐인데요.
저 핀이 무슨 역할을 하는지 한 번 보도록 하겠습니다.

우선 핀 설명을 보아하니 비교기의 output 또는 변환할 준비가 되어 있는지 나타내는 핀이라고 되어 있습니다. 조금 더 자세히 알아보도록 하겠습니다.

ALERT/RDY 핀
ALERT는 우리 말로 '알리다'라는 뜻입니다.
데이터시트를 보면 1014와 1015는 비교기를 갖추고 있기 때문에 경보를 발령할 수 있다고 합니다.
일반 모드에서는 High-Threshold 값을 초과하게 되면 Assert되고, Low-Threshold 값보다 낮아지게 되면 Deassert됩니다. 그리고 Window 모드에서는 High-Threshold 값을 초과하거나 Low-Threshold 값보다 낮아지게 되면 Assert 된다고 합니다.
왼쪽이 Traditional Comparator mode 오른쪽이 Window Comparator mode입니다.

저는 이번에 ADC에서 Window mode라는 개념을 처음 알게 되었습니다.
ADC 결과 값이 특정 임계 값보다 낮거나 높은지 여부를 감지하는 것인데요.
특정 범위를 유지해야 하는 신호를 모니터링하거나 배터리 부족/과충전 등을 신호할 때 유용한 기능입니다.
ALERT/RDY 핀은 변환 준비 핀으로 구성할 수도 있습니다.
특정 레지스터의 비트를 11로 설정하게 되면 변환 준비 핀으로 동작을 하게 되는데요.
아래 그림과 같이 변환 전에 Assert 되겠구나 라는 것을 예상할 수 있습니다.

Singled ended input의 아날로그 값을 읽고 싶을 경우 1013이나 1014는 AIN1에 GND를 연결하면 됩니다.
1015의 경우는 MUX[2:0] 레지스터의 값을 아래와 같이 변경한 후 값을 읽어야겠네요.
이 시리즈의 ADC 칩은 Differential Input에 대해서도 읽을 수 있는데요. 아무래도 Common-mode noise rejection에 대해서 Single-ended input보다 좋을 수 밖에 없습니다.


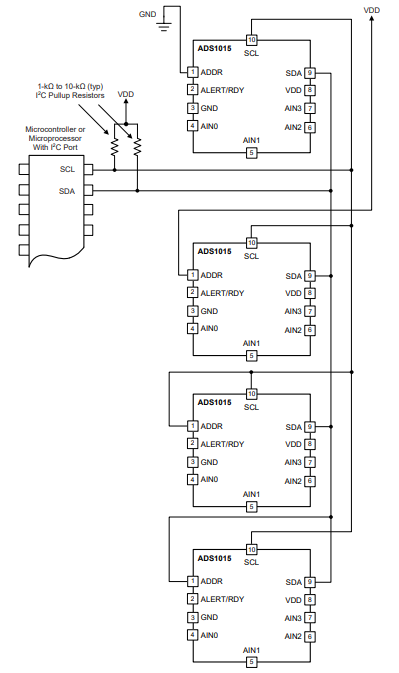
데이터시트를 보다가 궁금했던 건 Basic Connections에서 왜 ADDR 핀은 그라운드에 연결되어 있는걸까? 였습니다.

핀에 대한 설명을 읽어보니 이해가 얼추 된 것 같습니다.
최대 4개의 IC를 하나의 I2C 통신에 연결하여 사용할 수 있는 것 같습니다.
Multiple 연결을 보게 될 경우 ADDR 핀에 각기 다른 시그널/전원 핀이 연결되는 것을 볼 수 있습니다.

어떤 핀이 연결되었느냐에 따라 해당 Slave의 Address가 정해지기 때문인데요.
여러개를 연결하게 될 경우 이렇게 구분해서 사용하면 되겠네요

저는 보통 ADC가 내장된 MCU를 사용하고 2개의 채널 정도만 읽으면 되기 때문에 별도로 ADC 칩을 사용해 본 적은 없습니다. 하지만 이번에 다른 프로젝트를 할 기회가 생겼는데, 위의 칩을 굳이 사용할 필요는 없지만 한 번 연습삼아 사용해보려고 합니다.
제가 데이터시트를 읽으며 해석한 것이 맞는지 사용하고 난 뒤 포스팅 해보도록 하겠습니다.
'전자 공학 > 소자' 카테고리의 다른 글
| DAC 데이터시트 살펴보기 (0) | 2022.04.24 |
|---|---|
| 이더넷 스위치IC(2) (0) | 2022.03.22 |
| 이더넷 스위치 IC (1) (1) | 2022.03.20 |
| 이더넷 스위치 IC (1) | 2021.09.24 |
| 사이리스터, SCR, 트라이악이란? (1) | 2021.02.17 |